НЕОБХОДИМА КОНСУЛЬТАЦИЯ?
Оставьте сообщение нашим специалистам, чтобы они нашли оптимальное решение или оборудование для Вас
| Беларусь, г. Витебск, ул. Минская 16, оф. 1 |





|
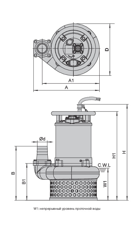
Модель
(50HZ) |
d
|
A
|
A1
|
В
|
В1
|
D
|
H
|
H1
|
W1 |
N.W
|
G.W
|
Размер упаковки
|
|---|---|---|---|---|---|---|---|---|---|---|---|---|
|
|
мм |
мм |
мм |
мм |
мм |
мм |
мм |
мм |
мм |
кг |
кг |
мм |
| 80TTZ2.2 | 80 | 469 | 408 | 378 | 257 | 371 | 685 | 625 | 230 | 92 | 99 | 765x405x515 |
| 80TTZ3.7 | 80 | 469 | 408 | 378 | 257 | 371 | 750 | 690 | 230 | 108 | 116 | 830x405x515 |
| 100TTZ3.7 | 100 | 469 | 408 | 392 | 257 | 371 | 750 | 690 | 230 | 108 | 116 | 830x405x515 |
| 100TTZ5.5 | 100 | 494 | 433 | 397 | 262 | 386 | 795 | 735 | 225 | 139 | 151 | 835x425x560 |
| 150TTZ11 | 150 | 598 | 505 | 436 | 275 | 441 | 862 | 802 | 240 | 210 | 226 | 910x475x665 |
Оставьте сообщение нашим специалистам, чтобы они нашли оптимальное решение или оборудование для Вас
| 210036, Беларусь, г. Витебск, ул. Минская 16, оф. 1 |
|
| info@sprom.by | |
| +375 29 880 59 91 | |
| +375 212 67 59 90 | |
| +375 212 67 59 91 | |
| +375 212 67 59 91 |
| Пн-Пт 8:30 - 17:00 Сб-Вск - выходной |
Позвоните нам или оставьте заявку на почте
и наши менеджеры помогут вам в течении 5 минут!
| +375 212 67 59 91 | ||
| +375 29 880 59 91 | ||
| info@sprom.by |