НЕОБХОДИМА КОНСУЛЬТАЦИЯ?
Оставьте сообщение нашим специалистам, чтобы они нашли оптимальное решение или оборудование для Вас
| Беларусь, г. Витебск, ул. Минская 16, оф. 1 |
Регуляторы RB 1700 и RB 1800 являются пружинными регуляторами прямого действия рычажного типа с дополнительным встроенным предохранительным запорным устройством. Сбалансированная конструкция клапана обеспечивает постоянное выходное давление при изменении давления на входе и исключает эффект помпажа.
Дополнительный встроенный запорный клапан обеспечивает защиту от избыточного давления и чрезмерного пониженного давления на выходе регулятора.
Байпасная система регулятора обеспечивает привязку отсечного клапана.
Регуляторы данной серии имеют компактные размеры и могут устанавливаться в шкафных устройствах.
Серия регуляторов давления газа RB 1700 / RB 1800 разработана для применения в коммерческом и малом промышленном секторе: горелки, печи, водогрейные колонки, промышленные котлы и прочее газопотребляющее оборудование, требующее точного и быстрого регулирования давления газа при больших расходах.

Регуляторы серии RB 1700 и RB 1800 относятся к классу регуляторов давления газа прямого действия с пружинной нагрузкой.
В регуляторах давления данного типа в качестве управляющего импульса выступает контролируемое давление на выходе, которое подается под эластичную мембрану исполнительного механизма через внутренний импульсный канал (internal impulse) (тип RBI) или внешнюю импульсную трубку (external impulse) (тип RBE).
Задатчиком выходного давления является пружина, необходимое усилие которой подбирается при проектировании узла редуцирования и дополнительно регулируется затяжкой регулирующей гайки.
Исполнительный механизм представляет собой конструкцию, состоящую из частей корпуса регулятора с мембраной (эластичным затвором), в качестве разделителя сред, и регулирующим органом (клапаном дросселя).
Регуляторы серии RB 1700 и RB 1800 укомплектованы встроенным предохранительным запорным клапаном ПЗК (SSV), который обеспечивает защиту от избыточного давления и (или) чрезмерного пониженного давления на выходе регулятора.
|
Наименование параметра |
Значение параметра |
|
|
Входное давление |
19 bar |
|
|
Выходное давление |
RB 1700 |
0.12 bar - 2.5 bar |
|
RB 1800 |
19 mbar - 2.5 bar |
|
|
Класс точности & давление блокировки |
Up to АС5 / up to SG10 |
|
|
Диапазон рабочих температур |
-20 ОС to +6О ОС |
|
|
Температура окружающ. среды |
ЗО ОС to +6О ОС (body material) |
|
|
Допустимые газы: |
Природный газ, городской газ, пропан, бутан воздух, азот или любой другой неагрессивный газ |
|
|
Предохранительные устройства |
ПЗК запорный клапан избыточного давления (OPSO) ПЗК запорный клапан пониженного давления (UPSO) Опционно ПСК сбросной клапан (только для RB 1800) |
|
|
Опции |
Внешняя или внутренняя импульсн. линия (монитор версия) |
|
|
Наименование параметра |
Значение параметра |
|
|
Размер корпуса |
1", 1"½, ¾" |
|
|
Выходное давление |
Резьба ISO 7 или ISO 228, NPT |
|
|
Фланец DN 25 - PN 20 или PN25 |
RB 1700 |
|
|
Фланец DN 40, DN 50 - PN 20 или PN25 |
RB 1800 |
|
|
Корпус регулятора |
Глобулярный чугун ISO 1083 gr 500-7 |
|
Корпус исполнительного механизма |
Штампованная сталь UNI EN 10025 |
|
Внутренние детали клапана |
Нержавеющая сталь и латунь |
|
Уплотнения |
Нитриловая резина |
|
Мембраны |
Синтетический каучук с тканевым армированием |
|
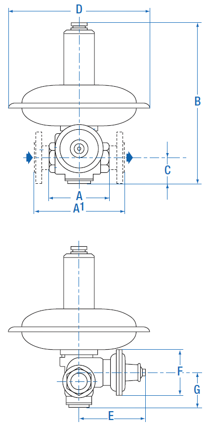
Модель |
Actuator |
A |
B |
C |
D |
E |
F |
G |
Вес,(кг) |
Dn |
A1 |
|
|
* |
** |
|||||||||||
|
RB1700 |
165 |
100 |
185 |
32 |
165 |
130 |
60 |
46 |
3,0 |
4,0 |
Dn ¾” |
- |
|
RB1700 |
90 |
100 |
175 |
32 |
90 |
130 |
60 |
46 |
2,2 |
3,2 |
Dn ¾” |
- |
|
RB1700 |
220 |
130 |
356 |
45 |
220 |
155 |
60 |
59 |
10 |
13 |
Dn 25 |
184 |
|
RB1700 |
220 |
150 |
390 |
60 |
220 |
186 |
90 |
85 |
16 |
19 |
Dm 40 |
223 |
|
RB1800 |
360 |
150 |
374 |
60 |
360 |
180 |
120 |
85 |
19 |
22 |
Dn 50 |
223 |
* Вес модели без предохранительного запорного клапана ПЗК
** Вес модели с предохранительным запорным клапаном ПЗК
|
RBE |
XX |
X |
X |
X |
-Dn X |
Параметры |
|
17 |
Размер корпуса 1” |
|||||
|
18 |
Размер корпуса 1 ½” |
|||||
|
1 |
Низкое давление 17 - 210 мбар (только RB1800) |
|||||
|
2 |
Среднее давление 0,1 - 0,9 бар |
|||||
|
3 |
Высокое давление 0,5 – 2,5 бар |
|||||
|
0 |
Без предохранительных клапанов |
|||||
|
1 |
ПЗК на превышение давления |
|||||
|
2 |
ПЗК на превышен. и занижение давления |
|||||
|
M |
Монитор-версия с внешним импульсом |
|||||
|
R |
С предохранит. сбросным клапаном ПСК |
|||||
|
1” |
Муфтовое соединение - только для RB 1700 |
|||||
|
1 ½” |
Муфтовое соединение - только для RB 1800 |
|||||
|
25 |
Фланцевое соединение - только для RB 1700 |
|||||
|
40 |
Фланцевое соединение - только для RB 1800 |
|||||
|
50 |
Фланцевое соединение - только для RB 1800 |
Оставьте сообщение нашим специалистам, чтобы они нашли оптимальное решение или оборудование для Вас
| 210036, Беларусь, г. Витебск, ул. Минская 16, оф. 1 |
|
| info@sprom.by | |
| +375 29 880 59 91 | |
| +375 212 67 59 90 | |
| +375 212 67 59 91 | |
| +375 212 67 59 91 |
| Пн-Пт 8:30 - 17:00 Сб-Вск - выходной |
Позвоните нам или оставьте заявку на почте
и наши менеджеры помогут вам в течении 5 минут!
| +375 212 67 59 91 | ||
| +375 29 880 59 91 | ||
| info@sprom.by |